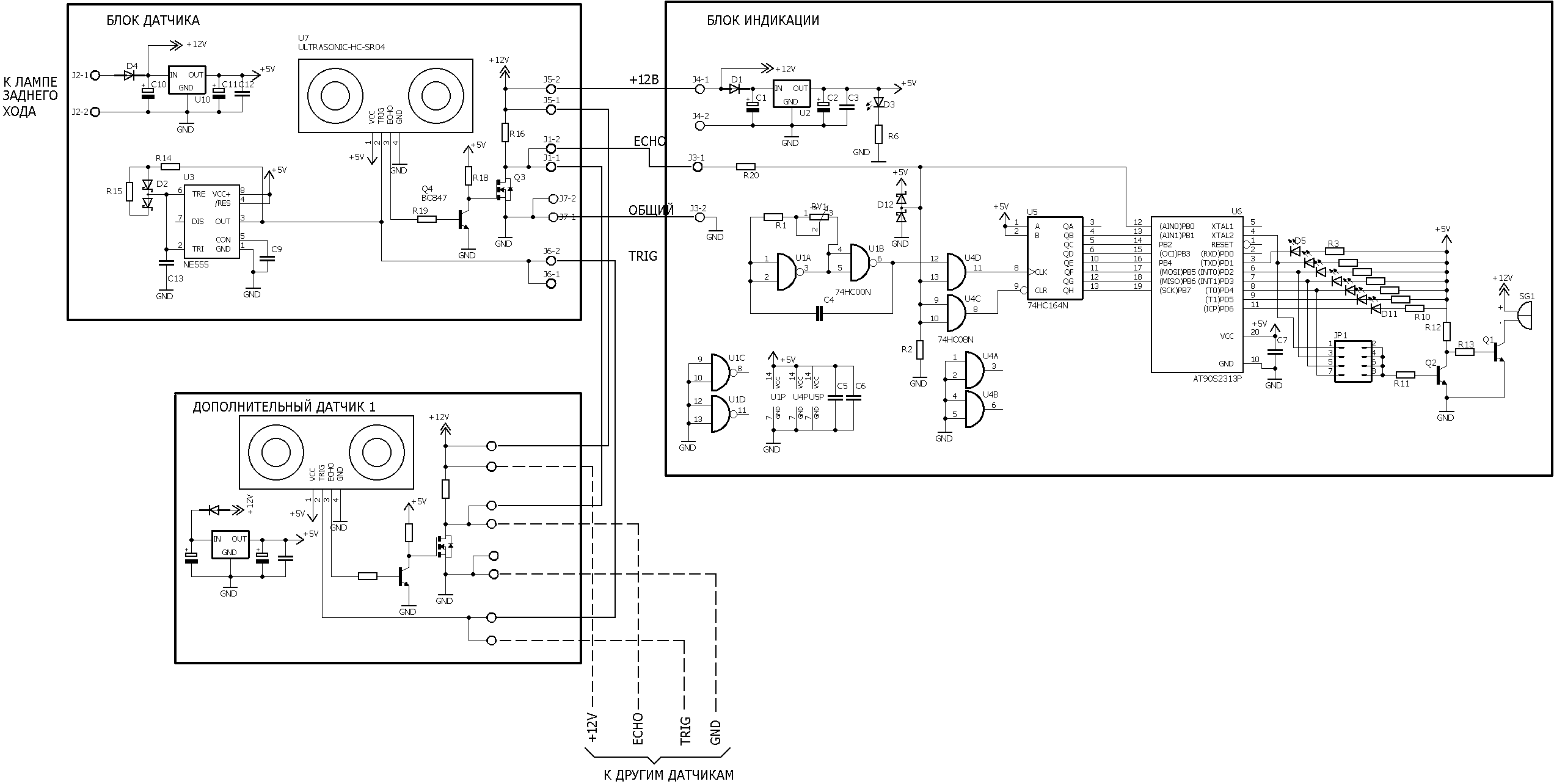
Предназначен для безопасной парковки автомобиля. При приближении препятствия ближе 40cм включается звуковой сигнал. Возможно подключить несколько датчиков. Для определения расстояния до препятствия применены ультразвуковые сонары SRF05.
Принцип состоит в том, что генератор U3 типа NE555 генерирует короткие импульсы TRIG, которые периодически запускают передатчик сенсора. Передающая мембрана начинает генерировать сигнал с частотой около 40кГц. Этот сигнал отражается от препятствия и поступает на приемную мембрану. Приняв этот сигнал, сенсор выдает импульс ECHO. Длительность импульса ECHO пропорциональна расстоянию до препятствия.

Здесь желтый цвет - импульсы TRIG на выходе генератора U3, синий цвет - импульсы ECHO на выходе сонара U7
Индикация расстояния до препятствия происходит следующим образом. Длительность выдаваемого ультразвуковым датчиком импульса ECHO пропорциональна расстоянию до препятствия, т.е. чем меньше расстояние тем он короче. Этот импульс запускает и сбрасывает сдвиговый регистр U5, выходы которого подключены к шине PВ1 - PВ7 микропроцессора. На вход CLK регистра поступают импульсы с генератора U1. Чем длиннее импульс ECHO, тем больше имульсов с выхода регистра поступают на микропроцессор.

Здесь желтый цвет - импульсы генератора U1, красный - импульс ECHO, синий - импульсы на выходе сдвигового регистра. Таким образом микропроцессор как бы считывает длину импульса ECHO и выдает информацию на светодиоды D5...D11. Микропроцессор работает с внутренним тактовым генератором 8мГц.
В устройстве предусмотрена звуковая сигнализация при опасном приближении к препятствию, выполенная на транзисторах Q1,Q2 и бузере SG1. Порог срабатывания звуковой сигнализации грубо устанавливается джампером JP1. Более точная установка порога осуществляется путем изменения частоты генератора U1 переменным резистором RV1. Подробнее на видео.
Блоки датчиков размещены на заднем бампере автомобиля, как показано на рис. ниже

Перечень элементов, прошивка, проект в PROTEUS, чертежи печатной платы в EagleCAD и герберфайлы для заказа платы в архиве