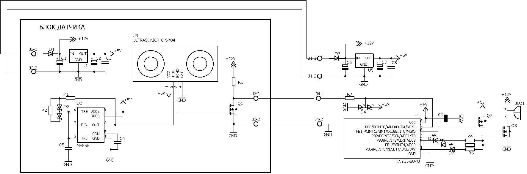
Устройство предназначено для безопасной парковки автомобиля. При приближении препятствия ближе 1,2м включается звуковой сигнал. В качестве сенсора расстояния применен ультразвуковой сонар SRF05.
Принцип работы состоит в том, что генератор U2 типа NE555 генерирует короткие импульсы TRIG, которые периодически запускают передатчик сенсора. Передающая мембрана начинает генерировать сигнал с частотой около 40кГц. Этот сигнал отражается от препятствия и поступает на приемную мембрану.Приняв этот сигнал, сенсор выдает импульс ECHO. Длительность импульса ECHO пропорциональна расстоянию до препятствия.

Здесь желтый цвет - импульсы TRIG на выходе генератора U2, синий цвет - импульсы ECHO на выходен сонара U3.
Микропроцессор Attiny13 измеряет длительность этого импульса и выдает информацию на светодиоды D5, D6,D7. Когда расстояние до препятствия менее 3м, включается светодиод D7, менее 2-х метров - светодиоды D6,D7. Когда расстояние доходит до 1,2м, включаются светодиоды D5,D6,D7 и бузер BUZ1. Подробнее на видео.
Ультразвуковой сонар, генератор импульсов U2 и сонар установлены в отдельном корпусе, который закрепляется на заднем бампере автомобиля, как показано на рис. ниже

Схема, перечень элементов, прошивка, чертежи печатных плат и гербер файлы для заказа плат в архиве