Устройство осуществляет регулируемую защиту от превышения установленного значения переменного тока а также отключает нагрузку при повышении напряжения сети до 280В  и понижении ниже 180В.



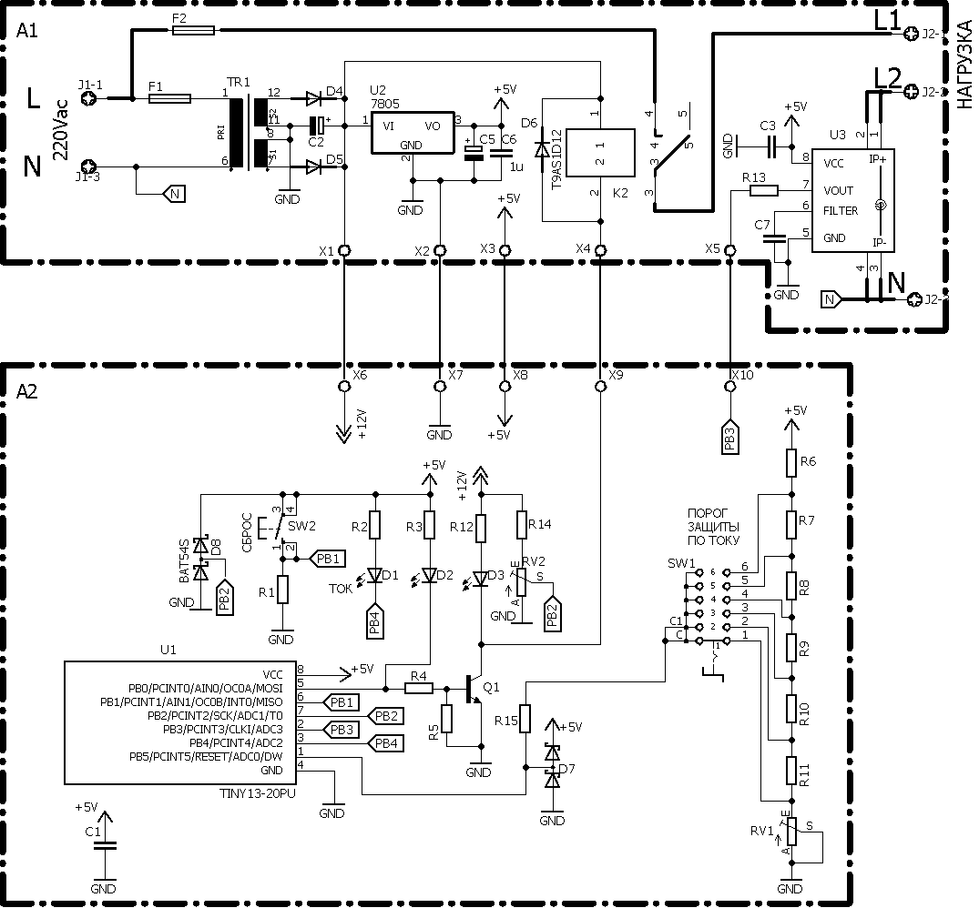
Устройство состоит из двух плат. На плате А1 расположены сетевой трансформатор TR1, стабилизатор U2 для питания микроконтроллера, реле для аварийного отключения нагрузки и датчик тока U3 для измерения поступающего в нагрузку тока. На плате А2 размещены микропроцессор Attini13, светодиодные индикаторы, кнопка сброса и  переключатель SW1 с резистивным делителем R6 - R11, RV1 для установки порога срабатывания защиты от превышения тока.
Принцип работы заключается в следующем. На выходе датчика тока возникает переменное напряжение, пропорциональное току в нагрузке, которое поступает на вход АЦП микроконтроллера РВ3 и сравнивается с опорным напряжением на входе АЦП РВ5, установленного переключателем SW1. При превышении напряжения на входе РВ3 а выходе РВ0 микроконтроллера включается лог.1 и открывается транзистор Q1. Приэтом включается  реле которое своими контактами отключает нагрузку, включаются светодиоды D1 и D2. После  снятия перегрузки по току необходимо нажать на кнопку СБРОС. При указанных в перечне компонентов номиналах резисторов R6 - R11 пороги срабатывания по току 2,5А,  5А,  7,5А,  10А,  12,5А,  15А. Эти значения можно изменить, изменяя номиналы вышеуказанных резисторов.
Для измерения напряжения сети напряжение с выхода выпрямителя D4,D5 поступает на делитель R14,RV2 выход которого подключен к входу АЦП РВ2 микропроцессора. Напряжение на входе РВ2 сравнивается с программно установленными опорными напряжениями для максимального и минимального напряжения сети.  При превышении сети  выше 280В или при уменьшении ниже 170В на выходе РВ0  включается лог.1 и реле своими контактами отключает нагрузку. Подробнее на видео.

Чертежи печатных плат в EagleCAD, перечень элементов, прошивка и проект в PROTEUS в архиве




Написать коментарий