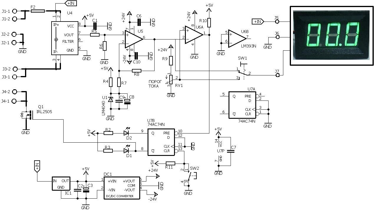
Предназначен для работы в диапазоне 0,5 - 20А в цепи постоянного тока. Диапазон входных напряжений 5 - 30В. Порог срабатывания предохранителя устанавливается переменным резистором. Индикация текущего тока в нагрузке и порога срабатывания осуществляется с помощью семисегментного цифрового модуля. 
Ток в нагрузке измеряется с помощью датчика тока U4, основанного на эффекте Холла. С выхода датчика напряжение поступает на вход усилителя U5. Резисторы R5,R6,R7,R8 рассчитаны так, что численное значение напряжения на выходе U5 равно численному значение тока в нагрузке. Это позволяет применять для индикации тока в нагрузке и тока срабатывания предохранителя применять дешевый семисегментнный модуль вольтметра постоянного тока.
Напряжение с выхода усилителя поступает на отрицательный вход компаратора U6. На положительный вход компаратора поступает пороговое напряжение с потенциометра RV1. Таким образом если ток в нагрузке ревышает предварительно установленное резистором RV1 значение, на выходе компаратора включается лог.0, RS триггер U7 устанавливается в лог.1, на инвертирующем выходе триггера лог.0 и полевой транзистор Q1 запирается, отключая нагрузку. После снятия перегрузки работу предохранителя можно восстановить кнопкой SW2. При входном напряжении 5В стабилизатор напряжения IC1 не устанавливать а его вход и выход необходимо соединить.
Перечень элементов, схема, чертеж печатной платы в EagleCAD, гербер файлы для заказа платы в архиве.