Из старого компьютерного блока питания можно сделать очень полезный для любого радиолюбителя лабораторный блок питания. Предлагаемое устройство выполнено на базе старого компьютерного блока питания типа АТХ. Эти блоки имеют следующие параметры
Выход 3.3В - ток 20А
Выход 5В - ток 20А
Выход +12В - ток 16А
Выход - 12В - ток 0,5А
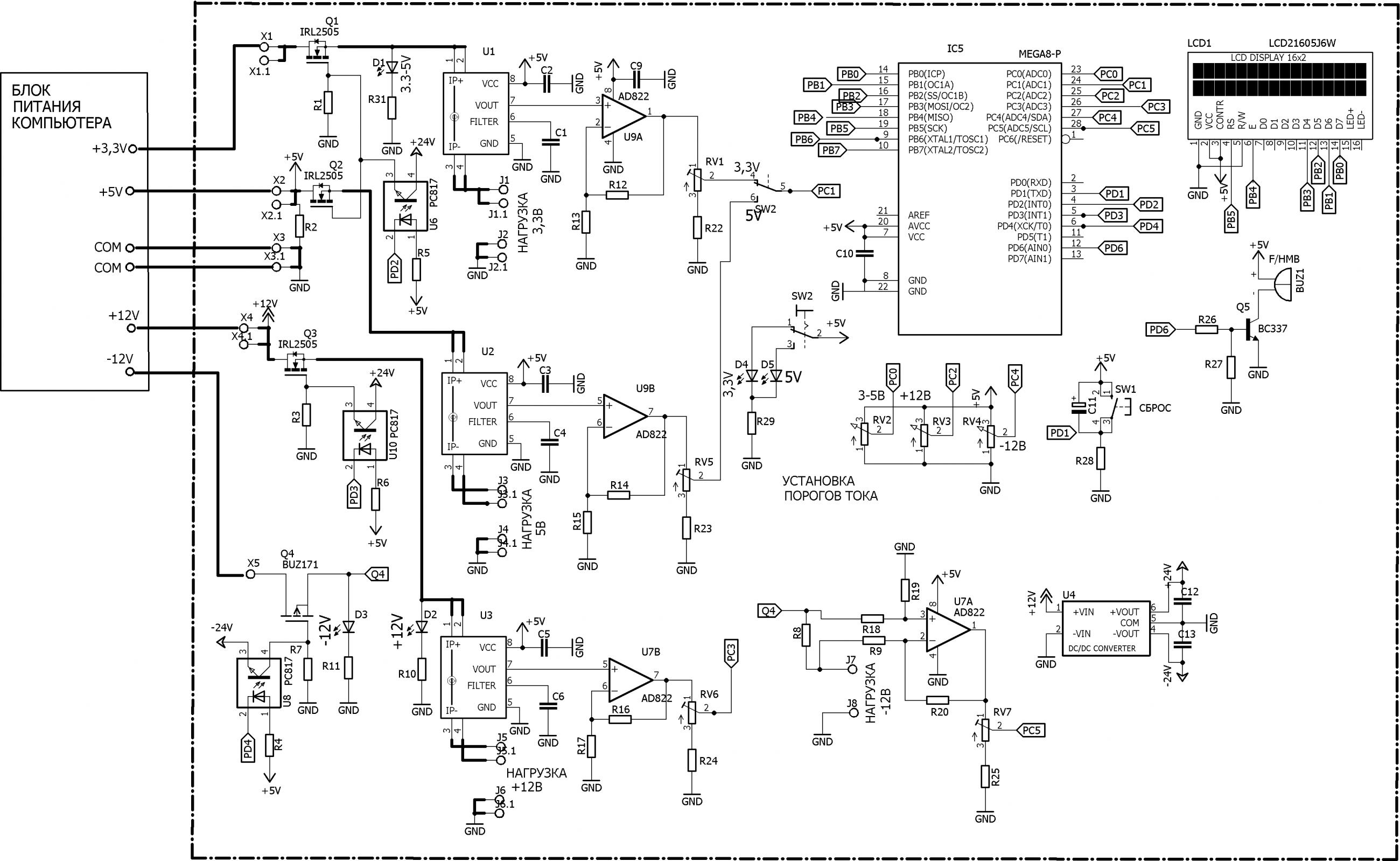
Для применения компьютерного блока питания для лабораторных целей необходимо добавить индикатор и регулируемый порог срабатывания защиты по току на каждом выходе. Это можно сделать на базе микропроцессора Atmega8 с применением 2-х строчного 16-ти символьного LCD индикатора.
Токи на выходах 3,3В, 5В +12В измеряются датчиками тока U1,U2, U3 и с помощью операционных усилителей U7B и U9 поступают на входы АЦП микропроцессора РС1 и РС3. На выходе -12В ток измеряется с помощью измерительного резистора R8 и через операционный усилитель U7А поступает на вход АЦП РС5. Пороги срабатывания ограничения по току для квждого выхода устанавливаются потенциометрами RV2, RV3, RV4, подключенными к входам АЦП микроконтроллера РС0, РС2, РС3 соответственно.
При превышении тока на выходе 3,3 или 5В на выходе микропроцессора PD2 включается лог.1 , оптрон U6 выключается и транзисторный ключ Q1 запирается, отключая выходы 3,3 и 5В блока питания. Аналогично при превышении тока на выходе +12В на выходе микропроцессора PD3 включается лог.1 , выключается оптрон U10 , запирается транзисторный ключ Q3, отключая выход +12В блока питания.
При превышении тока на выходе -12В на выходе микропроцессора PD4 включается лог.1 , оптрон U8 выключается и транзисторный ключ Q4 запирается, отключая выходы +12В и -12В блока питания. При превышении тока на любом выходе срабатывает зуммер.
Значения токов в нагрузках отображаются в верхней строке LCD индикатора. Значения установленных порогов - в нижней строке. 
Подробнее работу схемы смотреть на видео.
Схема размещена на печатной плате, прикрепленной к корпусу блока питания АТХ.
Чертежи платы в EagleCAD с гербер файлами для заказа платы, проект в PROTEUS, перечень элементов и прошивка в архиве