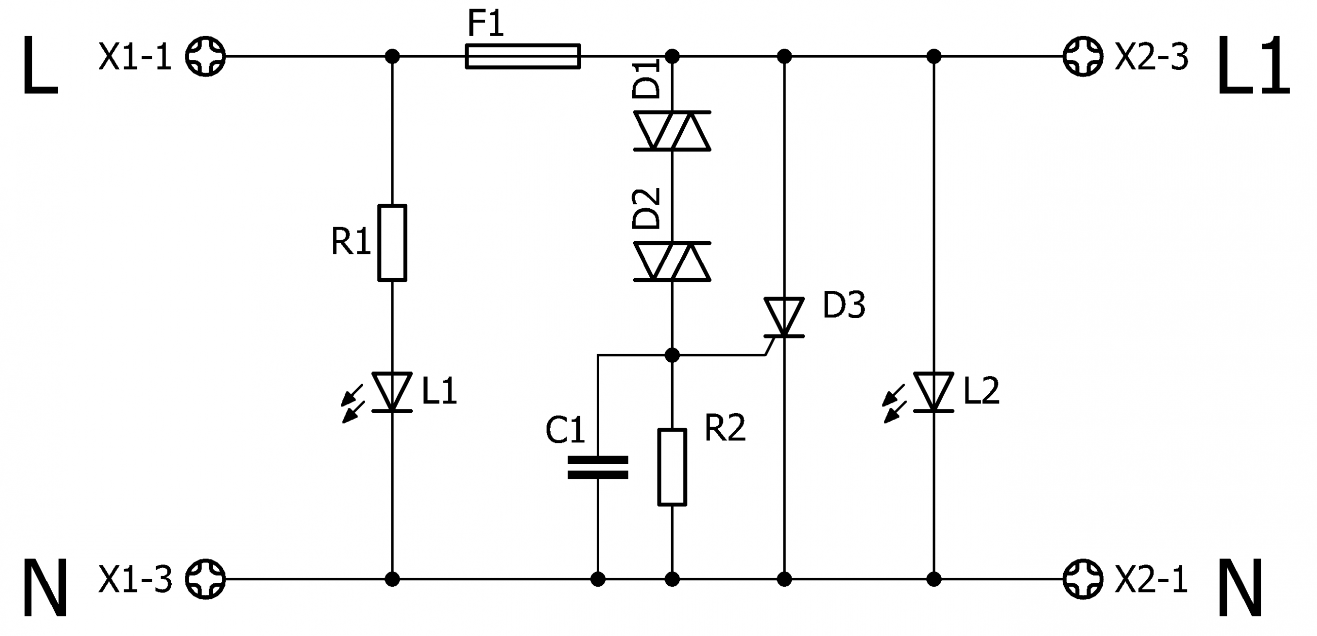
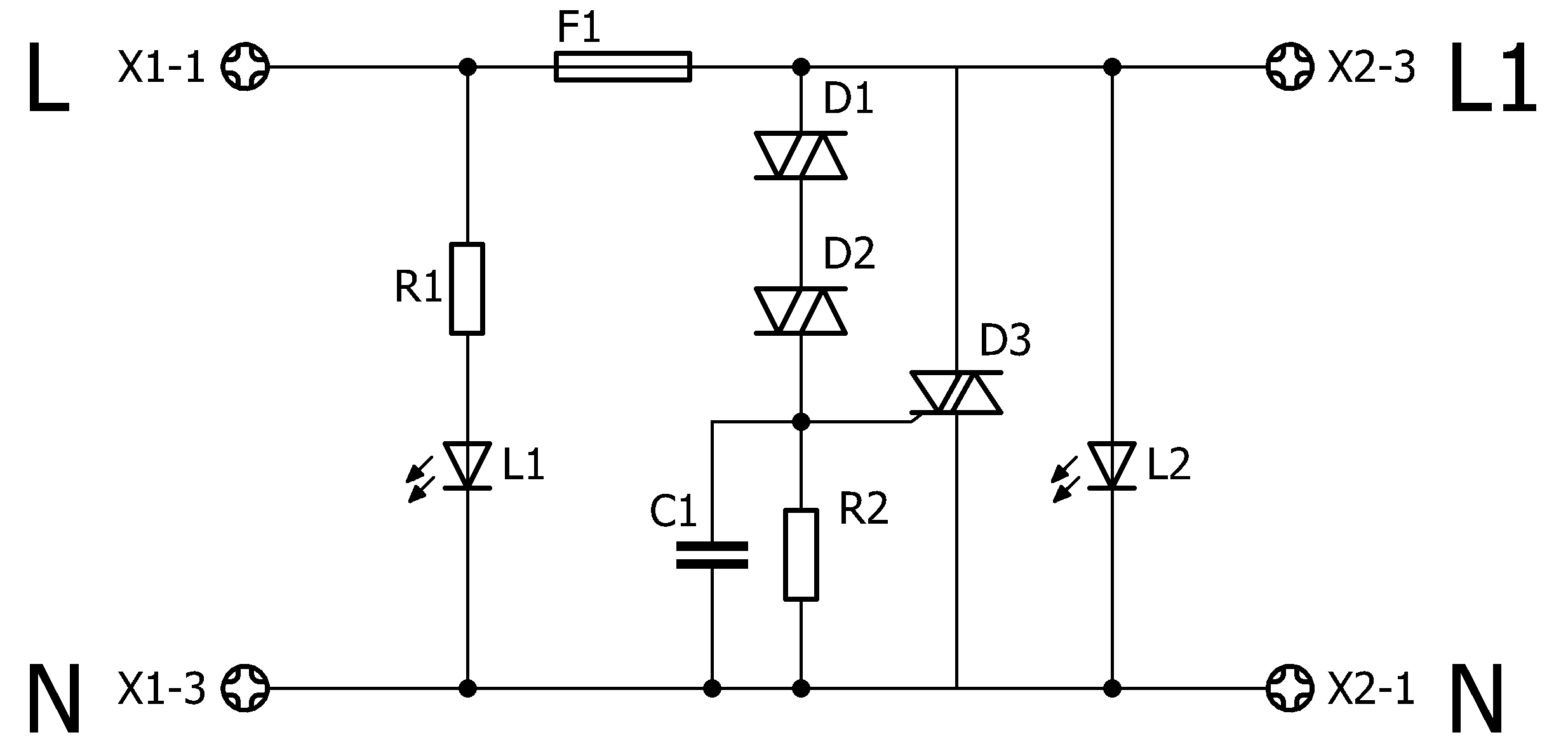
Предлагаем простую схему защиты от повышенного переменного напряжения.
Принцип работы очень простой. Если средневыпрямленное значение перемменного напряжения на динисторах D1,D2 достигает 270В (Vbo на рис. снизу), оба динистора открываются и включается симистор D3. В результате сгорает предохранитель F1 20A и напряжение на клемниках Х2 отключается.
Порог срабатывания защиты можно изменить путем подбора динисторов с другими значениями Vbo. В данном случае для достижения средневыпрямленного значения порога срабатывания 270В применяются динисторы на 200В и на 180В Vbo.
Симистор расчитан на 40А 700Vac. Цепь R2 C1 для защиты от помех. Конструктивно устройство собрано в корпусе для крепления DIN.
Перечень элементов, чертежи печатных плат в EagleCAD, проект в PROTEUS в архиве