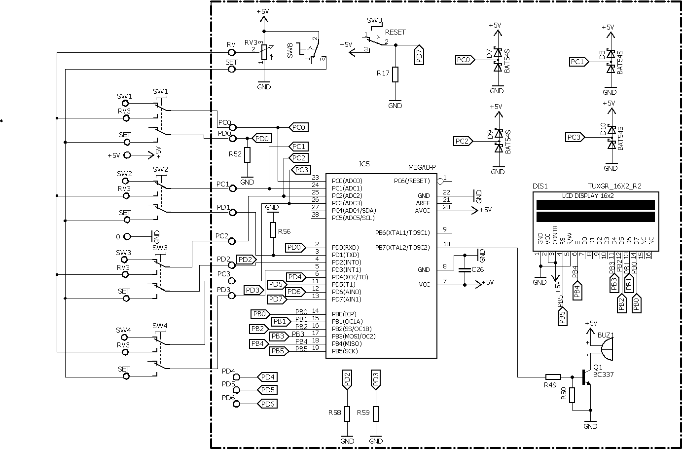
Предназначен для индикации напряжения до 300В и токов до 16А в каждой розетке однофазной сети. Кроме того устройство отключает нагрузку в каждой розетке при превышении предварительно установленных значений токов и напряжений. Устройство выполнено на микропроцессоре Atmega8. В качестве индикатора применяется 2-х строчный 16-ти символьный LCD индикатор. Устройство выполнено на 2-х платах: плата входная и плата индикатора.

Измеряемое напряжение со вторичной обмотки трансформатора TR1 поступает на выпрямительный диод D1 и через сглаживающие цепи R3,RV2,C8,R4 и переключатель SW1 поступает на вход АЦП РС0 микропроцессора. Измеряемый ток нагрузки 1-й розетки с выхода трансформатора тока TR2 поступает на выпрямитель, состоящий из операционного усилителя U3A с включенным в обратную связь диодом D4 и сглаживающего интегратора U3B с включенными в обратную связь резисторами R12,R25 и конденсаторами С11,С12. Выпрямленное напряжение через резисторы RV4,R13 и переключатель SW2 поступает на вход АЦП РС1 микропроцессора
Измеряемый ток нагрузки 2-й розетки с выхода трансформатора тока TR3 поступает на выпрямитель, состоящий из операционного усилителя U4A с включенным в обратную связь
диодом D4 и сглаживающего интегратора U4B с включенными в обратную связь резисторами R21,R22 и конденсаторами С14,С15. Выпрямленное напряжение через резисторы RV5,R23 и переключатель SW3 поступает на вход АЦП РС2 микропроцессора.
Аналогично измеряемый ток нагрузки 3-й розетки с выхода трансформатора тока TR4 поступает на выпрямитель, состоящий из операционного усилителя U5A с включенным в обратную связь диодом D6 и сглаживающего интегратора U5B с включенными в обратную связь резисторами R30,R31 и конденсаторами С17,С18. Выпрямленное напряжение через резисторы RV6,R32 и переключатель SW4 поступает на вход АЦП РС3 микропроцессора.
Для установки порога срабатывания при перегрузке по напряжению переключатоель SW1 переключить в нижнее по схеме положение, регулятором RV3 установить по показаниям LCD дисплея желаемый порог и кнопкой SW8 записать это значение в память микропроцессора, подав на вход PD0 лог.1. При этом кнопка должна удерживаться до поступления подтверждающего сигнала бузера. Затем переключить SW1 обратно в верхнеее по схеме положение. При превышении установленного порога срабатывает бузер, все 3 реле RL1,RL2,RL3, отключая все розетки и включаются светодиоды D14,D15,D16. При установке нормального напряжения все розетки подключаются, светодиоды гаснут и бузер отключается.
Для установки порога срабатывания при перегрузке по току в 1-й розетке переключатоель SW2 переключить в нижнее по схеме положение, регулятором RV3 установить по показаниям LCD дисплея желаемый порог и кнопкой SW8 записать это значение в память микропроцессора, подав на вход PD1 лог.1. При этом кнопка должна удерживаться до поступления подтверждающего сигнала бузера. Затем переключить SW2 обратно в верхнеее по схеме положение.При превышении установленного порогасрабатывает бузер, реле RL1, отключая 1-ю розетку и включаются светодиод D14. После устранения перегрузки по току для включения розетки и отключения светодиода и бузера нажать на кнопку сброса SW3.
Для установки порога срабатывания при перегрузке по току во 2-й розетке переключатоель SW3 переключить в нижнее по схеме положение, регулятором RV3 установить по показаниям LCD дисплея желаемый порог и кнопкой SW8 записать это значение в память микропроцессора, подав на вход PD2 лог.1. При этом кнопка должна удерживаться до поступления подтверждающего сигнала бузера. Затем переключить SW3 обратно в верхнеее по схеме положение.При превышении установленного порога срабатывает бузер, реле RL2, отключая 2-ю розетку и включаются светодиод D15. После устранения перегрузки по току для включения розетки и отключения светодиода и бузера нажать на кнопку сброса SW3.
Для установки порога срабатывания при перегрузке по току в 3-й розетке переключатоель SW4 переключить в нижнее по схеме положение, регулятором RV3 установить по показаниям
LCD дисплея желаемый порог и кнопкой SW8 записать это значение в память микропроцессора, подав на вход PD3 лог.1. При этом кнопка должна удерживаться до поступления подтверждающего сигнала бузера. Затем переключить SW4 обратно в верхнеее по схеме положение.При превышении установленного порога срабатывает бузер, реле RL3, отключая 3-ю розетку и включаются светодиод D16. После устранения перегрузки по току для включения розетки и отключения светодиода и бузера нажать на кнопку сброса SW3.
Cхемы и рисунки печатных плат в EagleCAD, перечень элементов и прошивка в архиве.