Прибор предназначен для определения cos Fi от 1 - 0,5, определения характера нагрузки и тока каждой фазы в 3-х фазной сети до 60А. При превышении тока заранее установленного предела отключает нагрузку.Прибор выпонен на МК Atmega8, с использованием LCD дисплея 2х16, полная развязка высоковольтных и низковольтных цепей. Для просмотра схем навести мышь и наступить на левую кнопку.

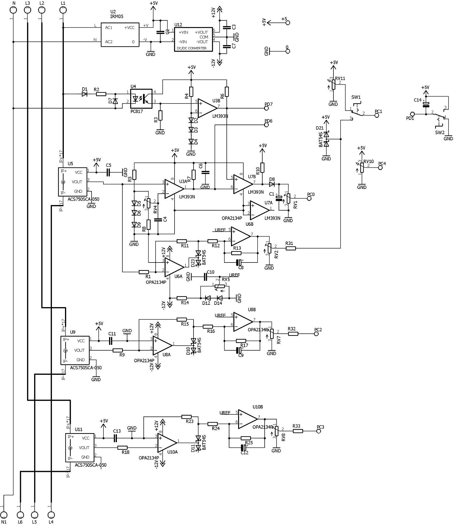
        Схема входной измерительной платы
 
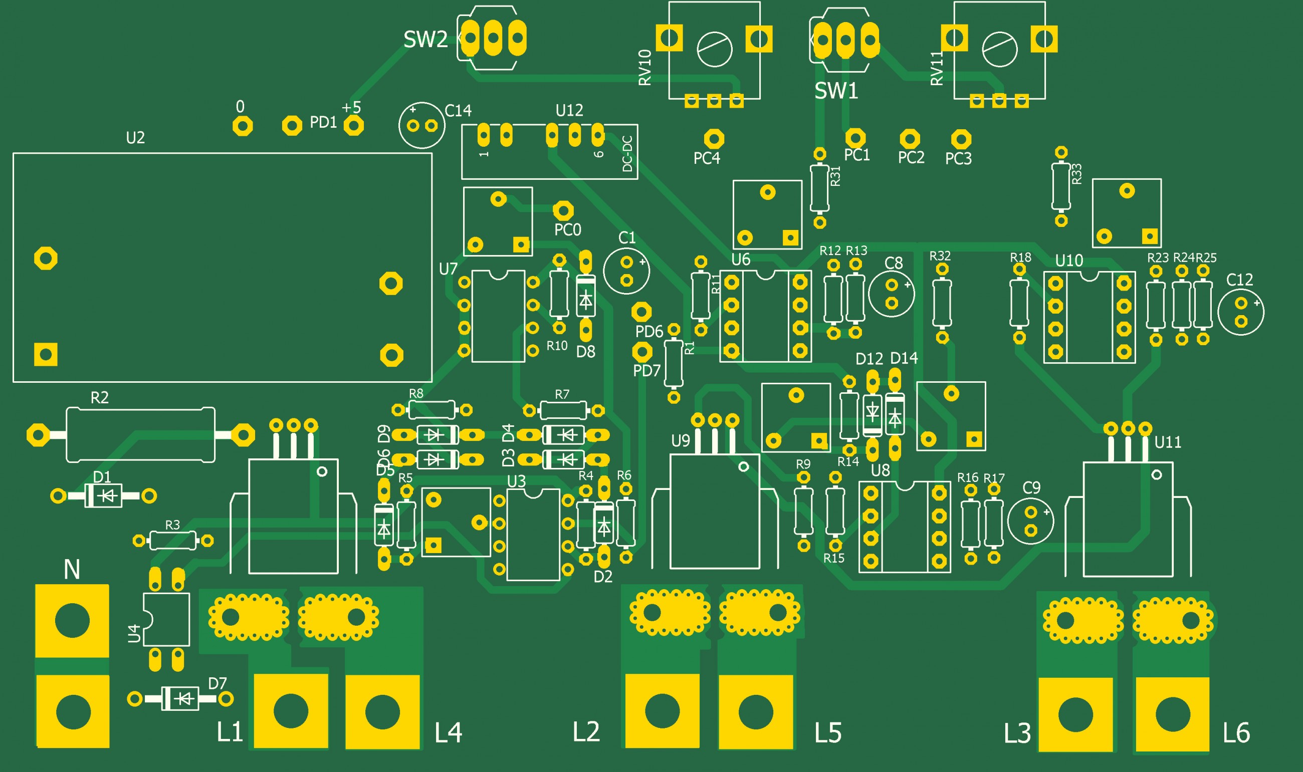
    Схема платы индикации с микропроцессором


Принцип измерения cos Fi основан на измерении фазовым компаратором разницы фаз между током и напряжением. Импульс напряжения формируется оптроном U4 и компаратором U3В и поступает на неинвертирующий вход вход фазового дискриминатора U7А. Импульс тока формируется
трансформатором тока TR1 и компаратором U3В и поступает на инвертирующий вход вход фазового дискриминатора U7В. Напряжение на выходе фазового дискриминатора пропорциональное разности
фаз между импульсами тока и напряжения поступает на вход АЦП PC0 микроконтроллера U1. Напряжения, пропорциональные величине тока каждой фазы с выхода трансформаторв тока U5,U9,U11 поступают на входы выпрямителей, состоящих из операционных усилителей U6,U8,U10 c диодами D23,D10,D11 соответственно.
Такая схема позволяет существенно повысить линейность выпрямителей. Выпрямленные напряжения поступают
на входы АЦП микроконтроллера РС1,РС2,РС3.Таким образом контроллер обрабатывает значения тока каждой фазы, которые отображаются во 2-й строке дисплея. При превышении тока какой-либо фазы больше установленного потециометром RV10 на выходе РВ6 появляется лог.1 , включается бузер и реле RL1.
Любое превышение тока фиксируется включением светодиодов D18,D19 или D20.Cветодиоды выключаются нажатием кнопки SW2. Для установки порога срабатывания необходимо переключатель SW1 переключить в положение НАСТР, регулятором RV11 установить по показаниям LCD индикатора необходимое пороговое напряжение и регулятором RW10 включить светодиод D16.
Блок питания состоит из АС- DC конвертера U2 с выжодным напряжением 5В, DС-DC конвертора U12 с выходными напряжениями ±12V. Устройство может быть собрано в корпусе MC001145 на DIN рейку
Прошивка разработана в среде HORIZONT CONFIGURATOR.

Рисунки плат, схемы в EagleCAD, перечень и прошивка в архиве




Написать коментарий