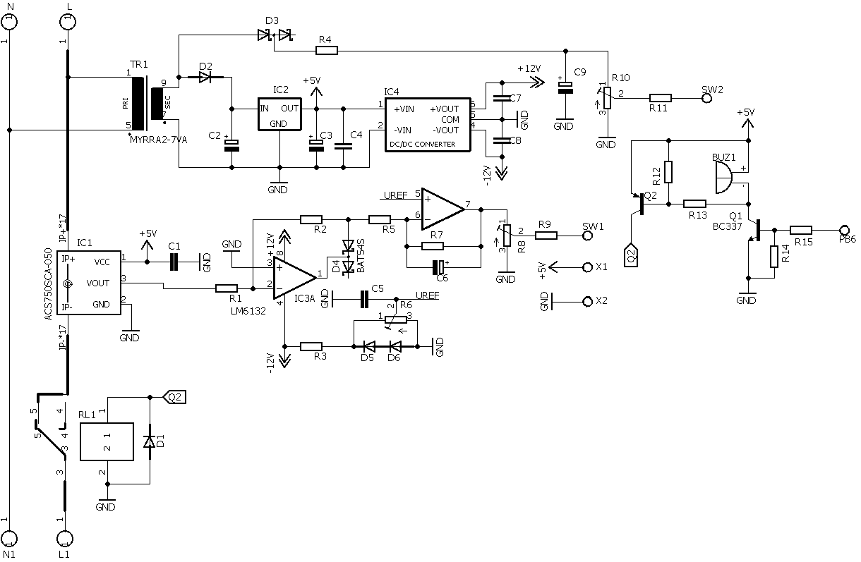
Предназначен для индикации тока до 40А и напряжения до 300В в однофазной сети. Устройство собрано на микропроцессоре Atmega8. Измеряемое напряжение с выхода вторичной обмотки трансформатора TR1 выпрямляется диодом Шоттки D3 и через резисторы R4,R10,R11 поступает на вход АЦП ADC2 микропроцессора. Измеряемый ток с выхода трансформатора тока IC1 поступает на операционный усилитель IC3A с включенным в обратную связь выпрямительным диодом Шотткм D4. Такая схема позволяет значительно повысить линейность выпрямителя. Выпрямленное напряжение сглаживается интегратором IC3B и через резисторы R8,R9 поступает на вход АЦП ADC1 микропроцессора.
Для просмотра навести мышь на каждую схему и нажать левую кнопку
Настроить порог срабатывания защиты по напряжению можно следующим образом. Нажать кнопку SW2. Подстроечным резистором RV7 установить по показаниям LCD индикатора желаемый порог. Затем подстроечником RV6 добиться переключения светодиода D10. Отжать кнопку SW2.
Аналогично можно настроить порог срабатывания защиты потоку.Нажать кнопку SW1. Подстроечным резистором RV2 установить по показаниям LCD индикатора желаемый порог. Затем подстроечником RV5 добиться переключения светодиода D9. Отжать кнопку SW1.
При превышении тока или напряжения реле срабатывает реле RL1 и включается бузер. Сбрасываются реле и бузер нажатием кнопки SW3. При превышении тока в верхней строке LCD индикатора включается HIGH. При превышении напряжения HIGH включается в нижней строке LCD индикатора.
Питание осущетвляется с помщью траннсформатора TR1, выпрямительного диода D2, стабилизатора IC2 с выходным напряжением 5В и DC-DC конвертора с выходными напряжениями ±12В для питания операционного усилителя. Прошивка разработана в среде HORIZONT CONFIGURATOR. Устройство выполено на 2-х платах - плата входная и плата индикации.
Схема в EAGLE, рисунки плат и прошивка в архиве