Позволяет измерять уровень воды в баке глубиной от 1,5 до 3м и поддерживать предварительно установленную температуру. В качестве датчика уровня воды применен ультразвуковой датчик SRF05. Принцип работы ультразвукового датчика подробно описан на странице.
Так как ультразвуковые датчики недостаточно надежно ведут себя во влажной среде, их необходимо устанавливать на некотором расстоянии от порверхности воды, как показано на рис. ниже

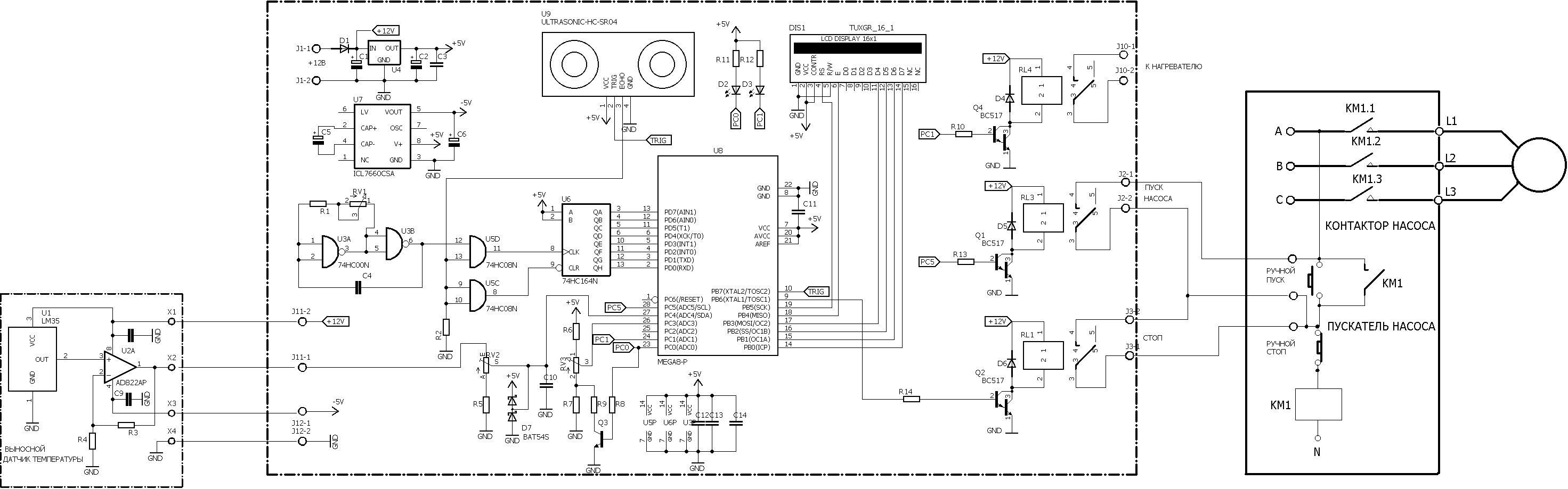
В качестве датчика температуры воды применен аналоговый температурный датчик U1 типа LM35. Датчик с операционным усилителем U2 размещен в выносном водонепроницаемом корпусе. При изменении температуры от 0 до 30 °C датчик выдает напряжение от 0 до 300мВ. Чтобы передавать выходное напряжение по проводам усилитель усиливает напряжение датчика LM35 в 10 раз. Выходное напряжение от 0 до 3В поступает на подстроечный резистор RV2, c выхода которого на вход АЦП РС4 микропроцессора ATMEGA8, где оно сравнивается с опорным напряжением на входе АЦП РС3, установленное переменным резистором RV3. Когда напряжение на входе РС4 меньше опорного, на выходе РС1 микропроцессора включена лог.1, транзистор Q4 открыт, реле RL4 включено и своими контактами включает нагреватель. При этом горит красный светодиод D2. Когда напряжение на входе РС4 превышает опорное, на выходе РС1 микропроцессора включен лог.0, транзистор Q4 запирается, реле RL4 выключается и своими контактами выключает нагреватель. При этом включается зеленый светодиод D3. Открывается транзистор Q3, резистор R9 подключается параллельно резистору R9. При этом опорное напряжение уменьшается. Таким образом обеспечивается гистерезис. Температура воды падает, напряжение на входе АЦП понижается. Как только оно становится ниже опорного, на выходе РС1 включаетя лог.1, открывается транзистор Q4 и включается обогреватель.
Индикация уровня воды в баке происходит следующим образом. Длительность выдаваемого ультразвуковым датчиком импульса ECHO обратно пропорциональна уровню воды в баке, т.е. чем меньше воды тем он длиннее. Этот импульс запускает и сбрасывает сдвиговый регистр U6, выходы которого подключены к шине PD0 - PD7 микропроцессора а на вход CLK поступают импульсы с генератора U3. Чем длиннее импульс ECHO, тем больше имульсов с выхода регистра поступают на микропроцессор.

Здесь желтый цвет - импульсы генератора, красный - импульс ECHO, синий - импульсы на выходе сдвигового регистра. Таким образом микропроцессор как бы считывает длину импульса ECHO и выдает информацию на LCD дисплей.
Управление насосом происходит следующим образом. Его можно включить в ручную кнопкой ПУСК пускателя. Когда бак заполненяется, на выходах РС5 и РВ6 микропрцессора лог.0 , реле RL1, RL3 выключены и насос не работает. После слива воды на выходе РС5 микропроцессора включается одиночный положительный импульс длительностью около 1 сек., транзистор Q1 открывается и реле RL3 своими контактами, включенными параллельно кнопке ПУСК пускателя включает насос и бак начинает заполняться.
Информация о уровне воды, текущей температуре воды и порога включения или выключения обогревателя отображается на однострочном 16-ти символьном LCD дисплее.

Здесь ХХХХ обозначают степень заполнения водой, ---- - насколько бак не заполнен, вторые две цифры - текущая температура воды, следующие две цифры - порог отключения (включения) нагревателя. Микропроцессор работает с внутренней тактовой частотой 8мГц. Устройство питается от адаптера 12В 1А.
Перечень элементов, прошивка, проект в PROTEUS, чертежи печатной платы в EagleCAD и герберфайлы для заказа платы в архиве