В основе этой разработки, является схема и программа заимствованная из статьи
Регулятор температуры и влажности, с датчиком DHT22 (DHT11).
Там же можно найти описание всех настроек термостата
Характеристики устройства
Канал, температура DHT :
Канал, влажность DHT11 :
Функциональные свойства при работе с датчиком DHT22.
Канал, температура DHT22:
Канал, влажность DHT22 :
Циклический таймер:
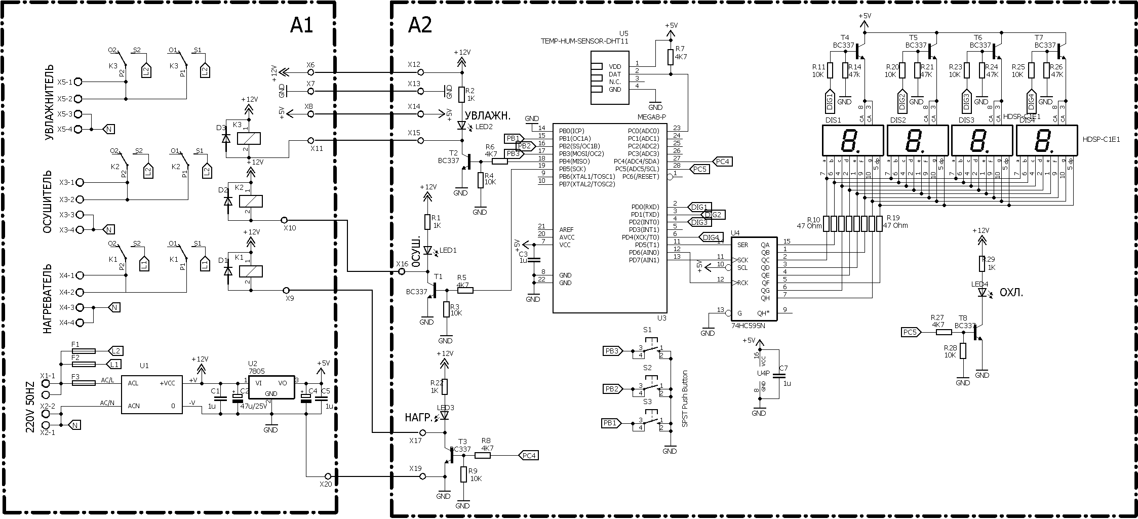
Схема изменилась. Для просмотра наведи мышь на схему и наступи 
Для питания применен недорогой АС DC конвертер IRM10-12 с выходным током 850мА и напряжением 12Vdc. В цепях общих анодов семисегментных индикаторов добавлены транзисторы Т4...Т7, что позволило применить более мощные индикаторы высотой 25,4 мм. Устройство выполнено на 2-х платах. На одной плате размещен блок питания с исполнительными реле нагревателя, осушителя и увлажнителя, на другщй - датчик, микроконтроллер с индикаторами и кнопками управления
Перечень элементов, проект в PROTEUS, прошивка, схема и чертежи печатных плат в EagleCAD в архиве.