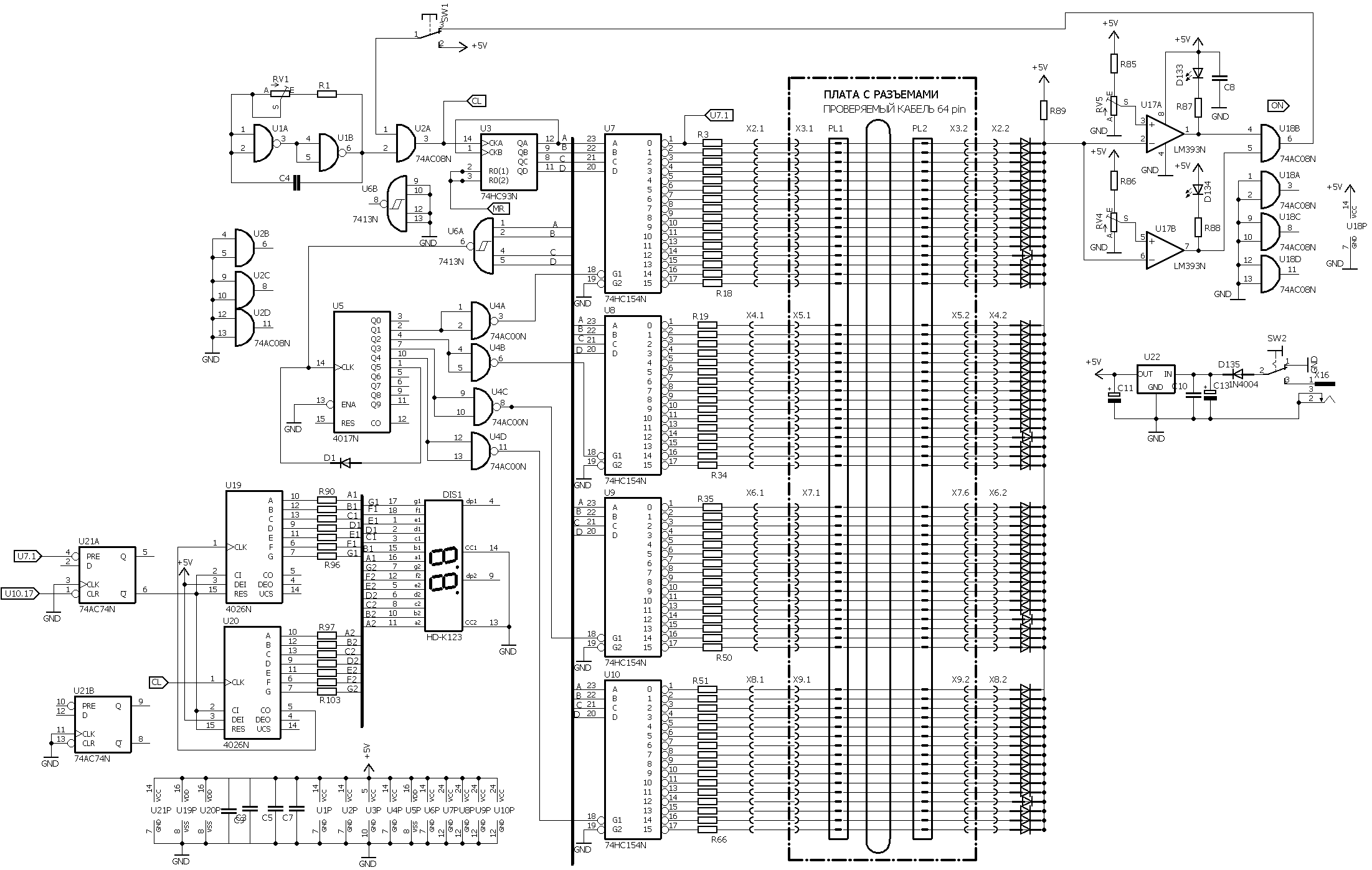
Устройства предназначены для проверки кабелей до 64 жил на разрыв и замыкание проводов. Ниже приведена схема устройства выполненного на жесткой логике с сдвоенным семисегментным индикатором неисправной жилы.

 

Принцип  действия заключается в том, что дешифраторы U7 - U10 переключают выходы, подключенные к проводам проверяемого плоского кабеля с 0 до 64. Эти выходы через проверяемые провода и развязывающие диоды подключены к резистору R89 и образуют делитель напряжения, к выходу которого подключены компараторы U17A, U17B. Когда все провода исправны, на входах компараторов 2,8В, на выходах лог. 1. При этом импульсы с выхода тактового генератора U1 поступают на счетчик U3. Выходы дешифраторов переключаются до 64 и  счет останавливается. 

Если в каком либо проводе замыкание, на входе компараторов 3,7В, на выходе компаратора U17A включается лог. 0, загорается светодиод D133, на входе микросхемы U2A появляется лог.0, счетчик останавливается и сдвоенный семисегментный индикатор показывает номер замкнутого провода. Если в каком либо проводе обрыв, на входах компараторов  5В, на выходах лог.0. При этом включаются светодиоды D133, D134, счетчик останавливается и сдвоенный семисегментный индикатор показывает номер оборванного провода. Для возобновления проверки необходимо сбросить питание переключателем SW2.

Ниже приведена схема на микропроцессоре ATMEGA8.

Здесь все функции управления дешифраторами выполняет микропроцессор. Индикация номера поврежденного кабеля и характер неисправности осуществляется с помощью однострочного 16-ти символьного LCD индикатора. Микропроцессор работает с внутренним RC генератором 1мГц. Когда кабель исправен, на дисплее появляется информация

Когда в кабеле обрыв

Когда замыкание

 

В обоих устройствах все разъемы для тестируемых плоских кабелей выполнены на отдельных платах.

1-я плата - 16, 20, 24, 26, 30 жил,

2-я плата - 34, 36, 40 жил,

3-я плата - 40, 50, 60, 64 жилы.

Эти платы соединяются с платой управления с помощью 4-х 37-проводных плоских кабелей с 37-ми контактными разъемами DSUB.

Оба устройства питаются от источника 12В  1А.

Прошивка, проекты в PROTEUS, схемы и чертежи печатных плат в EagleCAD, гербер файлы для заказа плат в архиве.


Написать коментарий